OEM Connettore SMPM sigillato ermeticamente Supplier

Ningbo Hanson Communication Technology Co., Ltd. Casa / Prodotti / Serie ermeticamente sigillata / Connettore SMPM sigillato ermeticamente

Connettore SMPM sigillato ermeticamente

Descrizione:

Il connettore sigillato SMPM (SubMiniature Push-on Micro) è un connettore RF miniaturizzato con scappamento completo, semi-scappamento e foro per la luce, progettato per applicazioni ad alta frequenza, spazio compatto e leggere. È un connettore a pressione, comunemente utilizzato nelle comunicazioni e nelle apparecchiature elettroniche che richiedono peso ridotto, elevata affidabilità e dimensioni ridotte. I connettori SMPM hanno un'elevata qualità di trasmissione del segnale e possono fornire buone prestazioni elettriche.

Informarsi

Struttura di base:
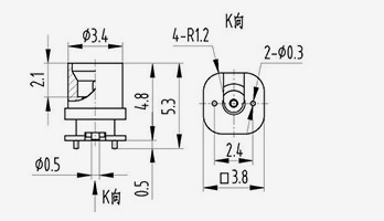
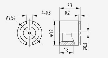
Il connettore coassiale RF a tenuta d'aria tipo SMPM-J è costituito da tre parti: conduttore esterno, supporto in vetro e conduttore interno, la struttura di base è mostrata nella figura seguente:

Principali parametri tecnici:

Caratteristiche Elettriche
Impedenza caratteristica 50Ω Gamma di frequenza CC ~ 40 GHz
Tensione di resistenza dielettrica 500 Vrm Resistenza di isolamento 2000M Ω
Tensione VSWR <1.4 Perdita di inserzione ≤0,05 √f dB(GHz)
Proprietà materiali e meccaniche, ambientali
Involucro Lega lavabile/placcata in oro Perni Lega lavabile/placcata oro
Mezzo isolante Bicchiere Durata del connettore Scappamento completo 100 volte
Tasso di perdita ≤1,01325×10 Papà ·m³/s foro ottico 1000 volte
Temperatura operativa -65℃~165℃

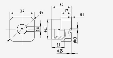
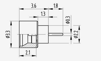
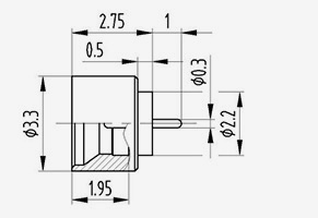
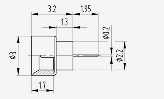
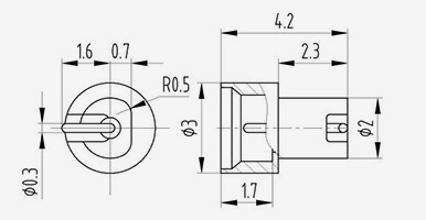
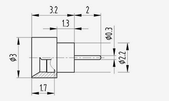
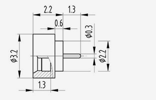
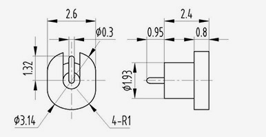
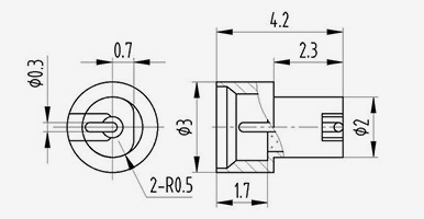
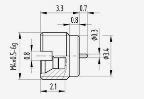
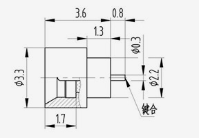
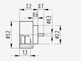
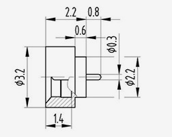
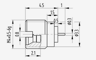
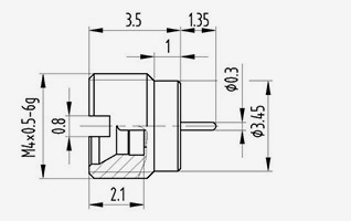
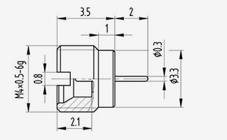
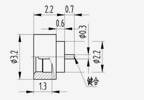
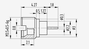
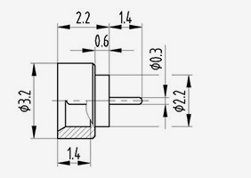
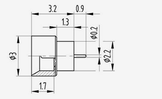
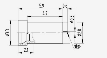
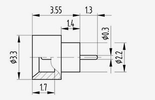
Dimensioni dell'interfaccia:
I connettori coassiali RF a tenuta d'aria di tipo SMPM-J hanno due forme di interfaccia: scappamento completo e foro nudo. Quando si nomina il modello, F indica lo scappamento completo e
S significa foro di luce. Le dimensioni dell'interfaccia sono suddivise in dimensioni dell'interfaccia standard e dimensioni dell'interfaccia corta, entrambe accoppiabili con le spine di tipo SMPM-K.
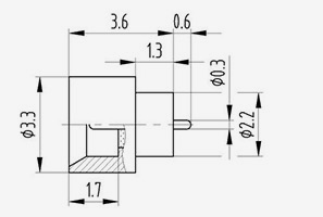
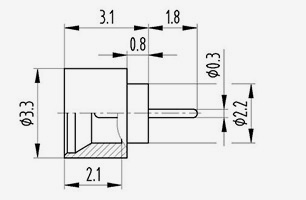
Dimensioni dell'interfaccia standard:

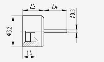
Dimensioni dell'interfaccia breve:

SMPM SERIES
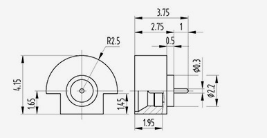
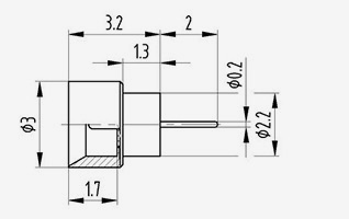
  • SMPM(M)-JYD3S
    SMPM(M)-JYD3S
    Modello Osservazioni
    SMPM(M)-JYD3S Foro liscio
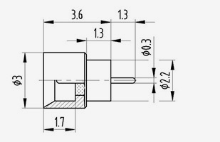
  • SMPM(M)-JYD5S
    SMPM(M)-JYD5S
    Modello Osservazioni
    SMPM(M)-JYD5S Foro liscio
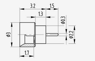
  • SMPM(M)-JYD8F
    SMPM(M)-JYD8F
    Modello Osservazioni
    SMPM(M)-JYD8F Detenzione completa
  • SMPM(M)-JYD10F
    SMPM(M)-JYD10F
    Modello Osservazioni
    SMPM(M)-JYD10F Detenzione completa
  • SMPM(M)-JYD12S
    SMPM(M)-JYD12S
    Modello Osservazioni
    SMPM(M)-JYD12S Foro liscio
  • SMPM(M)-JYD13F
    SMPM(M)-JYD13F
    Modello Osservazioni
    SMPM(M)-JYD13F Detenzione completa
  • SMPM(M)-JYD14F
    SMPM(M)-JYD14F
    Modello Osservazioni
    SMPM(M)-JYD14F Detenzione completa
  • SMPM(M)-JYD15F
    SMPM(M)-JYD15F
    Modello Osservazioni
    SMPM(M)-JYD15F Detenzione completa
  • SMPM(M)-JYD16S
    SMPM(M)-JYD16S
    Modello Osservazioni
    SMPM(M)-JYD16S Foro liscio
  • SMPM(M)-JYD17S
    SMPM(M)-JYD17S
    Modello Osservazioni
    SMPM(M)-JYD17S Foro liscio
  • SMPM(M)-JYD18S
    SMPM(M)-JYD18S
    Modello Osservazioni
    SMPM(M)-JYD18S Foro liscio
  • SMPM(M)-JYD19S
    SMPM(M)-JYD19S
    Modello Osservazioni
    SMPM(M)-JYD19S Foro liscio
  • SMPM(M)-JYD20F
    SMPM(M)-JYD20F
    Modello Osservazioni
    SMPM(M)-JYD20F Detenzione completa
  • SMPM(M)-JYD21S
    SMPM(M)-JYD21S
    Modello Osservazioni
    SMPM(M)-JYD21S Foro liscio
  • SMPM(M)-JYD22F
    SMPM(M)-JYD22F
    Modello Osservazioni
    SMPM(M)-JYD22F Detenzione completa
  • SMPM(M)-JYD23S
    SMPM(M)-JYD23S
    Modello Osservazioni
    SMPM(M)-JYD23S Foro liscio
  • SMPM(M)-JYD24F
    SMPM(M)-JYD24F
    Modello Osservazioni
    SMPM(M)-JYD24F Detenzione completa
  • SMPM(M)-JYD25F
    SMPM(M)-JYD25F
    Modello Osservazioni
    SMPM(M)-JYD25F Detenzione completa
  • SMPM(M)-JYD26F
    SMPM(M)-JYD26F
    Modello Osservazioni
    SMPM(M)-JYD26F Detenzione completa
  • SMPM(M)-JYD27S
    SMPM(M)-JYD27S
    Modello Osservazioni
    SMPM(M)-JYD27S Foro liscio
  • SMPM(M)-JYD28S
    SMPM(M)-JYD28S
    Modello Osservazioni
    SMPM(M)-JYD28S Foro liscio
  • SMPM(M)-JYD29F
    SMPM(M)-JYD29F
    Modello Osservazioni
    SMPM(M)-JYD29F Detenzione completa
  • SMPM(M)-JYD30S
    SMPM(M)-JYD30S
    Modello Osservazioni
    SMPM(M)-JYD30S Foro liscio
  • SMPM(M)-JYD31F
    SMPM(M)-JYD31F
    Modello Osservazioni
    SMPM(M)-JYD31F Detenzione completa
  • SMPM(M)-JYD32F
    SMPM(M)-JYD32F
    Modello Osservazioni
    SMPM(M)-JYD32F Detenzione completa
  • SMPM(M)-JYD33S
    SMPM(M)-JYD33S
    Modello Osservazioni
    SMPM(M)-JYD33S Foro liscio
  • SMPM(M)-JYD34S
    SMPM(M)-JYD34S
    Modello Osservazioni
    SMPM(M)-JYD34S Foro liscio
  • SMPM(M)-JYD35S
    SMPM(M)-JYD35S
    Modello Osservazioni
    SMPM(M)-JYD35S Foro liscio
  • SMPM(M)-JYD36S
    SMPM(M)-JYD36S
    Modello Osservazioni
    SMPM(M)-JYD36S Foro liscio
  • SMPM(M)-JYD37S
    SMPM(M)-JYD37S
    Modello Osservazioni
    SMPM(M)-JYD37S Foro liscio
  • SMPM(M)-JYD38S
    SMPM(M)-JYD38S
    Modello Osservazioni
    SMPM(M)-JYD38S Foro liscio
  • SMPM(M)-JYD39S
    SMPM(M)-JYD39S
    Modello Osservazioni
    SMPM(M)-JYD39S Foro liscio
  • SMPM(M)-JYD41S
    SMPM(M)-JYD41S
    Modello Osservazioni
    SMPM(M)-JYD41S Foro liscio
  • SMPM(M)-JYD42S
    SMPM(M)-JYD42S
    Modello Osservazioni
    SMPM(M)-JYD42S Foro liscio
  • SMPM(M)-JYD43F
    SMPM(M)-JYD43F
    Modello Osservazioni
    SMPM(M)-JYD43F Detenzione completa
  • SMPM(M)-JYD44F
    SMPM(M)-JYD44F
    Modello Osservazioni
    SMPM(M)-JYD44F Detenzione completa
  • SMPM(M)-JYD45S
    SMPM(M)-JYD45S
    Modello Osservazioni
    SMPM(M)-JYD45S Foro liscio
  • SMPM(M)-JYD46S
    SMPM(M)-JYD46S
    Modello Osservazioni
    SMPM(M)-JYD46S Foro liscio
  • SMPM(M)-JYD60F
    SMPM(M)-JYD60F
    Modello Osservazioni
    SMPM(M)-JYD60F Detenzione completa
  • SMPM(M)-JYD61F
    SMPM(M)-JYD61F
    Modello Osservazioni
    SMPM(M)-JYD61F Detenzione completa
  • SMPM(M)-JYD62F
    SMPM(M)-JYD62F
    Modello Osservazioni
    SMPM(M)-JYD62F Detenzione completa
  • SMPM(M)-JYD63S
    SMPM(M)-JYD63S
    Modello Osservazioni
    SMPM(M)-JYD63S Foro liscio
  • SMPM(M)-JYD64S
    SMPM(M)-JYD64S
    Modello Osservazioni
    SMPM(M)-JYD64S Foro liscio
  • SMPM(M)-JYD65S
    SMPM(M)-JYD65S
    Modello Osservazioni
    SMPM(M)-JYD65S Foro liscio
  • SMPM(M)-JYD66S
    SMPM(M)-JYD66S
    Modello Osservazioni
    SMPM(M)-JYD66S Foro liscio
  • SMPM(M)-JHD1S
    SMPM(M)-JHD1S
    Modello Osservazioni
    SMPM(M)-JHD1S Foro liscio
  • SMPM(M)-JHD2F
    SMPM(M)-JHD2F
    Modello Osservazioni
    SMPM(M)-JHD2F Detenzione completa
  • SMPM(M)-JHD3F
    SMPM(M)-JHD3F
    Modello Osservazioni
    SMPM(M)-JHD3F Detenzione completa
  • SMPM(M)-JHD4F
    SMPM(M)-JHD4F
    Modello Osservazioni
    SMPM(M)-JHD4F Detenzione completa
  • SMPM(M)-JHD6F
    SMPM(M)-JHD6F
    Modello Osservazioni
    SMPM(M)-JHD6F Detenzione completa
  • SMPM(M)-JHD21F
    SMPM(M)-JHD21F
    Modello Osservazioni
    SMPM(M)-JHD21F Detenzione completa
  • SMPM(M)-JFD1S
    SMPM(M)-JFD1S
    Modello Osservazioni
    SMPM(M)-JFD1S Foro liscio
  • SMPM(M)-JWSD1S
    SMPM(M)-JWSD1S
    Modello Osservazioni
    SMPM(M)-JWSD1S Foro liscio
  • SMPM(M)-JWSD8
    SMPM(M)-JWSD8
    Modello Osservazioni
    SMPM(M)-JWSD8
  • SMPM(M)-JWSD9S
    SMPM(M)-JWSD9S
    Modello Osservazioni
    SMPM(M)-JWSD9S Foro liscio
  • SMPM(M)-JWSD10S
    SMPM(M)-JWSD10S
    Modello Osservazioni
    SMPM(M)-JWSD10S Foro liscio
  • SMPM(M)-JSD1S
    SMPM(M)-JSD1S
    Modello Osservazioni
    SMPM(M)-JSD1S Foro liscio

RIMANIAMO IN CONTATTO

[#ingresso#]
INVIA
Chi siamo
Ningbo Hanson Communication Technology Co., Ltd.
Ningbo Hanson Communication Technology Co., Ltd.
Ningbo Hanson Communication Technology Co., Ltd. is China Connettore SMPM sigillato ermeticamente Supplier and Custom Connettore SMPM sigillato ermeticamente Company. We are a manufacturer specializing in the production, processing, and trade of communication components, with more than 30 years of experience in RF coaxial connectors, adapters, and cable assemblies. L'azienda ha ora sviluppato una propria officina meccanica, un'officina galvanica, un'officina di assemblaggio e un gruppo di fornitori stabili e affidabili. Lo scopo dell'azienda è fornire ai clienti prodotti di alta qualità. I prodotti principali sono connettori coassiali RF, adattatori, cavi assemblati ad alta frequenza e cavi assemblati a bassa intermodulazione. Inoltre, l'azienda può anche fornire servizi ai clienti con esigenze personalizzate per soddisfare le esigenze speciali dei clienti per i prodotti. I prodotti dell'azienda sono ampiamente utilizzati nel settore aerospaziale, nelle stazioni base di comunicazione, nelle apparecchiature mediche e in altri settori high-tech. Al momento della riforma aziendale, dell'innovazione, dello sviluppo e della crescita, l'azienda ha preso l'iniziativa di aderire al sistema di gestione della qualità internazionale ISO9001 e ha migliorato continuamente il livello di gestione in modo da fornire prodotti e servizi più soddisfacenti a vecchi e nuovi clienti.
Ultime notizie
Cerchi opportunità di business?

Richiedi una chiamata oggi