OEM N type RF Coaxial Connector Supplier

Ningbo Hanson Communication Technology Co., Ltd. Casa / Prodotti / Connettore coassiale RF / Connettore coassiale RF di tipo N

Connettore coassiale RF di tipo N

Descrizione:

Il connettore coassiale RF serie tipo N è un connettore coassiale RF con un meccanismo di connessione filettata sviluppato e prodotto in conformità con lo standard militare statunitense MIL-C-39012. Ha le caratteristiche di ampia larghezza di banda, buona resistenza agli urti, elevata affidabilità e prestazioni eccellenti ed è ampiamente utilizzato nelle comunicazioni e nei sistemi di misurazione a microonde. L'impedenza caratteristica del connettore coassiale RF serie tipo N prodotto dalla nostra fabbrica è divisa in due tipi: 50Ω e 75Ω.

Parametro:

Principali Specifiche Tecniche:
◆ Impedenza caratteristica: 50Ω/75Ω
◆ Gamma di frequenza: DC-18GHz(50Ω)/DC-3GHz(75Ω)
◆ Resistenza di isolamento: ≥5000MΩ
◆ Tensione di resistenza dielettrica: 1500 V (rms)
◆ Rapporto onda stazionaria di tensione (VSWR): ≤1,30
◆ Cicli di accoppiamento: 500 volte

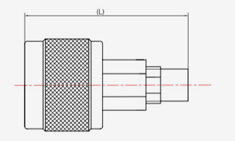
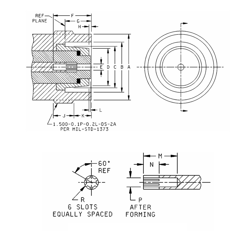
Informarsi

Fioco
ltr
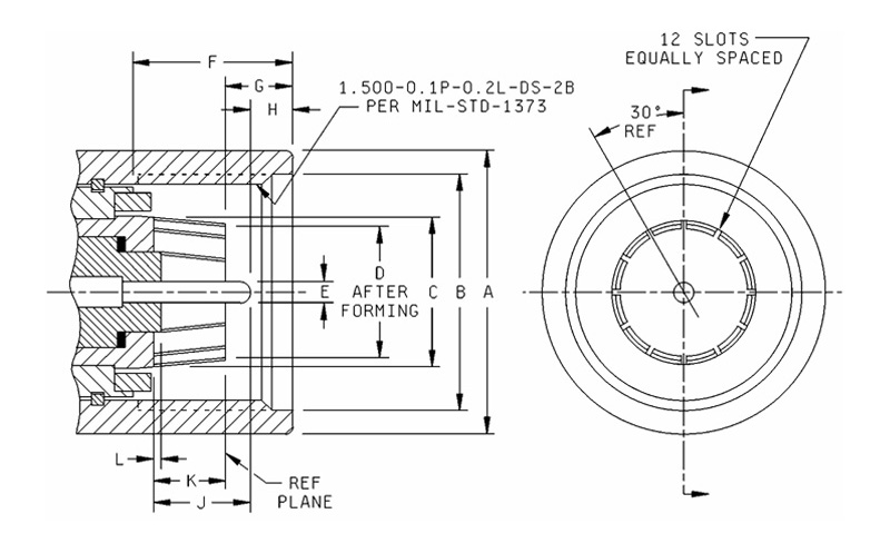
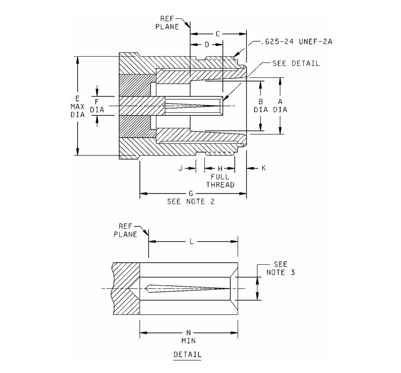
pollici (mm)
minimo Massimo.
UN .336 (8,53) .344 (8,74)
B .316 (8.03) .320 (8.13)
C .356 (9.04) .362 (9.19)
D .187 (4,75) .207 (5,26)
E ------- .627 (15,93)
F .119 (3.02) .124 (3,15)
G .422 (10,72) -------
H .172 (4.37) .220 (5,59)
J .047 (1,19) .077 (1,96)
K .047 (1,19) .077 (1,96)
l .187 (4,75) .207 (5,26)
N .210 (5,33) -------

Note:
1. Questa interfaccia deve soddisfare i requisiti di sagoma specificati in
MIl-PRF-39o12/2.
2. Spazio per il dado di accoppiamento del connettore di accoppiamento.
3. Per soddisfare VSwR, caratteristiche di accoppiamento, resistenza di contatto e
durata del connettore se accoppiato con un pin di diametro .063/.066.

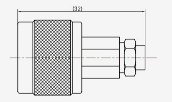
Fioco
ltr
pollici (mm)
minimo Massimo.
UN 1.740 (44.20) 1.760 (44.70)
B 1.537 (39.04) 1.543 (39.19)
C 1.060 (26.92) 1.064 (27.03)
D .964 (24,49) .974 (24,74)
E .194 (4,93) .196 (4,98)
F .836 (21.23) .856 (21,74)
G .372 (9,45) .392 (9,96)
H .271 (6,88) .291 (7,39)
J 551 (14.00) .571 (14,50)
K .370 (9,40) .380 (9,65)
l 0,001 (0,03) 0,013 (0,33)

Note:
1. Questa interfaccia deve soddisfare i requisiti di sagoma specificati in MIL-PRF-39012/44.

Fioco
ltr
pollici (mm)
minimo Massimo.
UN 1.404 (35.66) 1.408 (35.76)
B 1.100 (27.94) 1.120 (28.45)
C 1.998 (50.75) 1.002 (25.45)
D 936 (23,77) .940 (23,88)
E .191 (4,85) .195 (4,95)
F .763 (19,38) .783 (19,89)
G .465 (11,81) .485 (12.32)
H .062 (1,57) Riferimento
J .302 (7,67) .322 (8.18)
K .302 (7,67) .322 (8.18)
l 0,001 (0,03) 0,013 (0,33)
M .490 (12.45) .510 (12,95)
N .240 (6.10) ,260 (6,60)
P .187 (4,75) .189 (4,80)
R .014 (0,36) 0,018 (0,46)

Note:
1. Questa interfaccia deve soddisfare i requisiti di sagoma specificati in MIL-PRF-39012/45.

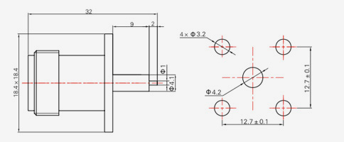
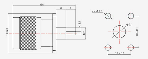
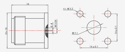
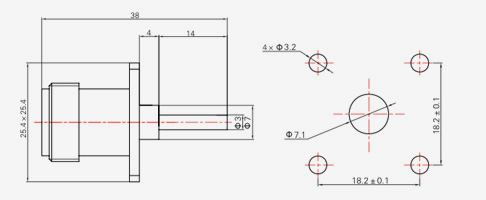
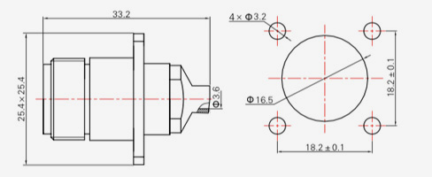
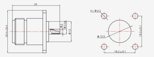
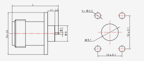
N SERIES
  • N-JB2
    N-JB2
    MoDello Tipo di cavo d
    N-JB2 SFT-50-2.670-086 Φ2.2
    N-JB3 SFT-50-3.670-141 Ф3,6
  • N-JB3-1
    N-JB3-1
    Modello Tipo di cavo l
    N-JB3-1 SFT-50-3.670-141 17.6
    N-JB3A-1 SFT-50-3.670-141 16.5
  • N-KB3
    N-KB3
    Modello Tipo di cavo
    N-KB3 SFT-50-3.670-141
  • N-KFB3
    N-KFB3
    Modello Tipo di cavo
    N-KFB3 SFT-50-3.670-141
  • N-KYB3
    N-KYB3
    Modello Tipo di cavo
    N-KYB3 SFT-50-3.670-141
  • N-J3
    N-J3
    Modello Tipo di cavo
    N-J3 SYV-50-2-1,RG316
    N-J4 SYV-50-2-2
  • N-J5
    N-J5
    Modello Tipo di cavo l
    N-J5 SYV-50-3,RG142, SFCJ-50-3-51 33
    N-J5C SYV-50-3,RG142, SFCJ-50-3-51 33
    N-J7 SYV-50-5-1, SFCJ-50-5-51 36
    N-J10 SYV-50-7-1, SYV-50-7-2,SFCJ-50-7-51 36
  • N-J5.3
    N-J5.3
    Modello Tipo di cavo
    N-J5.3 32055,205,GNB415
  • N-J311
    N-J311
    Modello Tipo di cavo
    N-J311 FFB311A
  • N-J10-1
    N-J10-1
    Modello Tipo di cavo
    N-J10-1 SFCJ-50-7-51
  • N-JW5
    N-JW5
    Modello Tipo di cavo
    N-JW5 SFCJ-50-3-51,SYV-50-3-4,RG142
    N-JW7 SFCJ-50-5-51,SYV-50-5-1
    N-JW10 SFCJ-50-7-51,SYV-50-7-2
  • N-JW8A
    N-JW8A
    Modello Tipo di cavo
    N-JW8A FFB311A,SYV-50-5
    N-JW12A SYV-75-3
    N-JW13A SYV-75-5
  • N-K3
    N-K3
    Modello Tipo di cavo
    N-K3 SYV-50-2-1,RG316
  • N-K5
    N-K5
    Modello Tipo di cavo l
    N-K5 SYV-50-3,RG142, SFCJ-50-3-51 36
    N-K7 SYV-50-5-1,SFCJ-50-5-51 38
    N-K10 SYV-50-7-1,SFCJ-50-7-51 38
  • N-KF5
    N-KF5
    Modello Tipo di cavo l
    N-KF5 SYV-50-3,RG142,SFCJ-50-3-51 36
    N-KF7 SYV-50-5-1,SFCJ-50-5-51 38
    N-KF10 SYV-50-7-1,SFCJ-50-7-51 38
  • N-KF3A
    N-KF3A
    Modello Tipo di cavo l
    N-KF3A SYV-50-2-1,RG316 33
    N-KF5A SYV-50-3-4,RG142 42
  • N-KY3Y
    N-KY3Y
    Modello Tipo di cavo
    N-KY3Y SYV-50-2-1,RG316
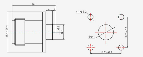
  • N-KFD
    N-KFD
    Modello l l1 l2
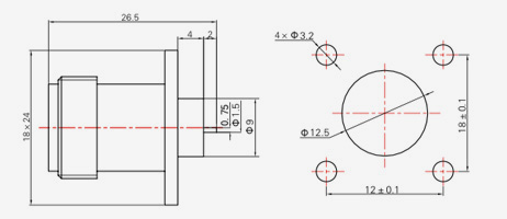
    KFD 26 4 2
    KFD2 31 6 5
    KFD15 30 6 4
    KFD16 28.5 6 2.5
    KFD17 28 6 2
    KFD18 29 5 4
    KFD19 29 4 5
    KFD20 33 4 9
  • N-KF
    N-KF
  • N-JFD1
    N-JFD1
  • N-JFD2
    N-JFD2
  • N-JFD3
    N-JFD3
  • N-JFD23
    N-JFD23
  • N-KFD1
    N-KFD1
  • N-KFD7
    N-KFD7
  • N-KFD11
    N-KFD11
  • N-KFD50
    N-KFD50
  • N-KFD-Z
    N-KFD-Z
  • N-KFD9
    N-KFD9
  • N-KFD14
    N-KFD14

RIMANIAMO IN CONTATTO

[#ingresso#]
INVIA
Chi siamo
Ningbo Hanson Communication Technology Co., Ltd.
Ningbo Hanson Communication Technology Co., Ltd.
Ningbo Hanson Communication Technology Co., Ltd. is China N type RF Coaxial Connector Supplier and Custom N type RF Coaxial Connector Company. We are a manufacturer specializing in the production, processing, and trade of communication components, with more than 30 years of experience in RF coaxial connectors, adapters, and cable assemblies. L'azienda ha ora sviluppato una propria officina meccanica, un'officina galvanica, un'officina di assemblaggio e un gruppo di fornitori stabili e affidabili. Lo scopo dell'azienda è fornire ai clienti prodotti di alta qualità. I prodotti principali sono connettori coassiali RF, adattatori, cavi assemblati ad alta frequenza e cavi assemblati a bassa intermodulazione. Inoltre, l'azienda può anche fornire servizi ai clienti con esigenze personalizzate per soddisfare le esigenze speciali dei clienti per i prodotti. I prodotti dell'azienda sono ampiamente utilizzati nel settore aerospaziale, nelle stazioni base di comunicazione, nelle apparecchiature mediche e in altri settori high-tech. Al momento della riforma aziendale, dell'innovazione, dello sviluppo e della crescita, l'azienda ha preso l'iniziativa di aderire al sistema di gestione della qualità internazionale ISO9001 e ha migliorato continuamente il livello di gestione in modo da fornire prodotti e servizi più soddisfacenti a vecchi e nuovi clienti.
Ultime notizie
Cerchi opportunità di business?

Richiedi una chiamata oggi